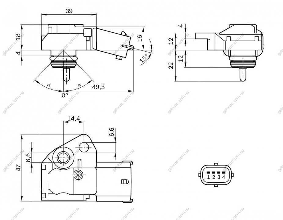
Датчик МАР BOSCH 0 261 230 110
Данная запчасть не подходит для выбранного автомобиля
требуется проверка по VIN коду, уточняйте совместимость у наших специалистов
требуется проверка по VIN коду, уточняйте совместимость у наших специалистов
|
1 981 ₴
завтра
|
|
- Производитель
- BOSCH
- Каталожный номер
- 0 261 230 110
- Дополнительный артикул / дополнительная информация 2
- Сторона низкого давления
- Подготовка топлива
- Впрыскивание во впускной коллектор / прямое впрыскивание
Применяемость
- BOSCH 0 261 230 110 подходит к маркам/моделям авто:
- - Volvo: C30, S60, S80, V70, XC70, XC90
- Товарная группа:
- - Двигатель и Выхлоп Датчик давления топлива
Оригинальные номера
OEM:
LR005493
LR005490
LR000524
8699449
31272730
30756097
30650015
